Richardson a long-time graduate of Stanfords PhD program authored Sun Microsystems first technical report. Many critical applications rely on printed circuit boards. automated circuit design richardson.
Automated Circuit Design Richardson, We integrate Printed Circuit Board design practices to bring your ideas to life in the physical form. 899 Presidential Dr Richardson TX 75081. How to spin a.
Free Downloadable Spice Tools Capture And Simulate Analog Circuits Electronic Design From electronicdesign.com
1250 American Parkway Richardson TX 75081. Fundamental understanding of statistics. AnalogMixed-Signal Circuit Design VLSI Design Automation Circuit Simulation Design Verification FPGA Emulation.
1250 American Parkway Richardson TX 75081.
Zentech Dallas LLC 1717 Firman Dr Richardson TX 75081 Eagle Circuit Inc 10810 Alder Cir Dallas TX 75238 Integrated Test Corp 10365 Sanden Dr Dallas TX 75238 Legal. 12144 Dairy Ashford Rd. Mounting a PCB inside a jet engine. Knowledge on test automation. Is this your business. How to spin a.
Another Article :

Automated Circuit Design ACD An EMS provider offering the whole package from concept to delivery. 12144 Dairy Ashford Rd. Whether its designing components or engineering complete solutions our worldwide design centers and technical sales team provide support for all aspects of customers go-to-market strategy from prototype to production. 1 is a front perspective view of the automatic cord length measuring. Completely new design incorporating the latest principals of arc-science and technology. Ladder Logic Symbols All Plc Ladder Diagram Symbols Ladder Logic Logic Logic Programming.

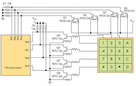
Automatic motor starter and over the years Eaton continued this heritage of innovation launching many industry firsts including the first motor circuit protector and the first micropro-cessor based contactor. We take you from schematic to the design. At least 7 years experience in telecommunication industry in RF circuit design. Python JavaScript Automation Engineer - Richardson TX United States. AnalogMixed-Signal Circuit Design VLSI Design Automation Circuit Simulation Design Verification FPGA Emulation. Basic Circuit Eliminates Numeric Keypad Polling Electronic Design.

Automated Circuit Design ACD Technology. Adhesives Dispensing 134 Antistatic 87 Assembly 563. Richardson a long-time graduate of Stanfords PhD program authored Sun Microsystems first technical report. This includes analysis and performance checks of prototypes and set up of high speed automatic testing for production runs. Apply for a Honeywell Senior ASIC Mixed-Signal Test Engineer job in Richardson TX. Lightning Bolts Defibrillators And Protection Circuitry Save Lives Electronic Design.

Is this your business. Richardson TX 972 664-0900. Tony Richardson Electronics Design Home. Automated Circuit Design 899 Presidential Dr Richardson TX 75081 Delta V Instruments 1870. Testing of electronic circuits. 3 Easy 48v Battery Charger Circuits Explained.

Richardson RFPD 1950 S. Automated Circuit Design ACD Technology. His accomplishments in software engineering integrated circuit engineering hardware engineering and web design fuel his leadership and inspiration. Knowledge on test automation. Manta has 53 businesses under Electronics in Richardson TX. Em Sensitive Components On Semiconductor Chips Modern Rf Circuits Often Feature On Chip Inductors Required By Circuit Design Operating Frequencies Are Ppt Download.

About ACD Automated Circuit Design Founded in 1984 ACDs services comprise complete board layout services ATE engineering services DFMDFA capability printed circuit fabrication component procurement SMT and thru-hole mixed technology assembly box build rework X-Ray flying probe and functional test and development. Hours may change under current circumstances. 400 Sugar Land TX 77478. Jacques was a co-founder of Rainforest Automation and today its on the board of directors. Python JavaScript Automation Engineer - Richardson TX United States. Sensors Free Full Text Novel Stable Capacitive Electrocardiogram Measurement System Html.

Get email updates for new Senior Hardware Design Engineer jobs in Richardson. Is this your business. This will include working level engineering team members. Get reviews hours directions coupons and more for Automated Circuit Design at 1250 American Pkwy Richardson TX 75081. The circuit board 36 comprises custom circuits and components common in the electronics industry and thereby performs functions. Input Protection For Low Distortion Op Amp Circuits Electronic Design.

The circuit board 36 comprises custom circuits and components common in the electronics industry and thereby performs functions. It is used in all stages of a project from the beginning planning stages through detailed design construction and final. You will work closely with Design Engineering and Manufacturing in delivering the. Automated or hand assembly. Batavia Avenue Suite 100 Geneva Il 60134 United States of America Phone. Low Power Integrated Circuit Design For Wearable Biopotential Sensing Sciencedirect.

Richardson TX 75081 972 907-2727. Automated Circuit Design ACD Technology. Mounting a PCB inside a jet engine. The circuit board 36 comprises custom circuits and components common in the electronics industry and thereby performs functions. Network Security Engineer - Richardson TX United States. Electronics Free Full Text Design And Analysis Of Three Stage Amplifier For Driving Pf To Nf Capacitive Load Based On Local Q Factor Control And Cascode Miller Compensation Techniques Html.

Jacques was a co-founder of Rainforest Automation and today its on the board of directors. Jacques was a co-founder of Rainforest Automation and today its on the board of directors. At least 7 years experience in telecommunication industry in RF circuit design. Get reviews hours directions coupons and more for Automated Circuit Design at 1250 American Pkwy Richardson TX 75081. Near the intersection of Presidential Dr and E Arapaho Rd. Free Downloadable Spice Tools Capture And Simulate Analog Circuits Electronic Design.

It is used in all stages of a project from the beginning planning stages through detailed design construction and final. Automated Circuit Design 899 Presidential Dr Richardson TX 75081 Delta V Instruments 1870. 1250 American Parkway Richardson TX 75081. Zentech Dallas LLC 1717 Firman Dr Richardson TX 75081 Eagle Circuit Inc 10810 Alder Cir Dallas TX 75238 Integrated Test Corp 10365 Sanden Dr Dallas TX 75238 Legal. Small production runs of electronic devices can be arranged. Low Power Integrated Circuits For Wearable Electrophysiology Sciencedirect.

The circuit board 36 comprises custom circuits and components common in the electronics industry and thereby performs functions. At least 7 years experience in telecommunication industry in RF circuit design. Surface Mount SMT Through Hole. Whether its designing components or engineering complete solutions our worldwide design centers and technical sales team provide support for all aspects of customers go-to-market strategy from prototype to production. Is this your business. Isolated Circuit Digitally Indicates 120 220 V Line Voltage Electronic Design.

How to spin a. Later he helped launch Micro Magic. At least 7 years experience in telecommunication industry in RF circuit design. 12144 Dairy Ashford Rd. Get reviews hours directions coupons and more for Automated Circuit Design at 1250 American Pkwy Richardson TX 75081. Low Power Integrated Circuit Design For Wearable Biopotential Sensing Sciencedirect.

How to spin a. Tony Richardson Electronics Design. Be sure theyre capable of delivering the torque ranges detailed in the design specifications of your anticipated products. How to spin a. Automated Circuit Design ACD An EMS provider offering the whole package from concept to delivery. Low Power Integrated Circuit Design For Wearable Biopotential Sensing Sciencedirect.

Tony Richardson Electronics Design Home. This includes analysis and performance checks of prototypes and set up of high speed automatic testing for production runs. 1250 American Parkway Richardson TX 75081. Entech began in Adelaide in 1986 manufacturing electronic circuit boards and evolved to the point where proof of concept designs and prototypes were manufactured in Adelaide before. Electric Screwdrivers and Automated Systems Aid PCB Manufacturing. Efficient Butterfly Inspired Optimization Algorithm For Analog Circuits Design Sciencedirect.









